Sign In | Join Free | My chinabagsnet.com
China Wuxi Luole Machinery Co., Ltd logo
Wuxi Luole Machinery Co., Ltd
Wuxi Luole Machinery Co., Ltd Professional High Quality Roll Forming Machine Supplier
Active Member

12 Years

Home > Downspout Roll Forming Machine >

Downpipe / Water Pipe / Drain Pipe Production Line

Wuxi Luole Machinery Co., Ltd
Contact Now

Downpipe / Water Pipe / Drain Pipe Production Line

Place of Origin : Wuxi

Brand Name : luole

Certification : CE

MOQ : 1

Price : Discuss in letter

Packaging Details : With bubble paper

Payment Terms : T/T

Contact Now

Downpipe / Water Pipe / Downspout Roll Forming Machine , Drain Pipe Production Line

Quick details:

1. Condition: New, Type: Tile Forming Machine
2. Tile Type: Steel, Use: Roof, Place of Origin: Wuxi
3. Brand Name: LUOLE, Certification: ISO9001 and CE

Description

Rain gutter pipe downspout roll forming equipment consisted of decoiler , roll forming machine include the seam lock roller stations, saw cutting system and automatic stacker or manual stacker.
● The raw material for rain gutter pipe downspout roll forming equipment can be Aluminum and stell. The thckness should be around 0.5mm.
● We have many experiences in the down pipe equipment for many customer in domestic and abroad, we believe it has became one of our advantage products.
The structure base of the main roll forming machine is H beam base with steel plate welded stand which is very reliable and good performance.
● All the components of machine are from brand-famous enterprise so that they ensure the machine normal function very effectively.
● We adopt the automatic length-fixed forming and on line cutting to guarantee the length to be precise and the finished product clear without deforming.
● The life of the machine can be reach 10 years.
The downspout roll forming machine is designed by ourselves, the machine produce occlusive round downspout, which is beautiful and durable with high quality
The Whole Line Components: Manual/Hydraulic Un-coiler, Leveling Unit,Roll-forming M/C, Cutting Unit, PLC System, Transmission Unit, etc.

Specifications

Item Downspout Roll Forming Machine
3ton passive decoiler Structure of pedestal braking, mandrel holder, slider narrow and expanding
Capacity of decoiler 3ton

Main roll forming machine

Fit for raw material Forming thickness 0.4-0.6mm
Roll forming station about 17stations
Crimping machine Motor power 4KW

Electrical control system

Low voltage Schneider


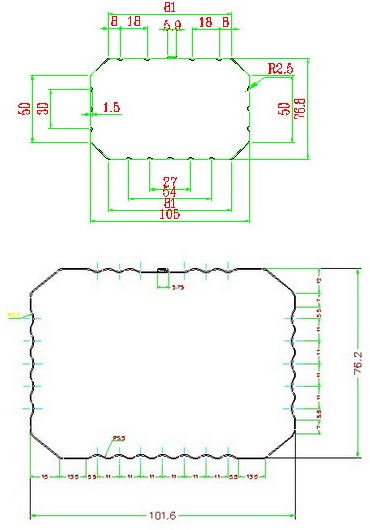
Reference Rainspout Drawing

Downpipe / Water Pipe / Drain Pipe Production Line

Application

The roll formed product is more durable than the traditional ppc pipe, and not easy to aging.
It will make the project more integrate, and help enhancing the image of all project.


Machine pictures

Downpipe / Water Pipe / Drain Pipe Production Line Downpipe / Water Pipe / Drain Pipe Production Line

Advantages

1) Guarantee:
In correct operation and maintenance, the machine is one year guarantee since leaving the seller’s factory
2) Installation:
If buyer need, the seller will send one or two technician to the buyer's factory to install & testing the machine, the buyer will assist the seller’s technician to get the visa and pay for the two-way flight tickets and local accommodation, visa cost. by the way , buyer pay 50USD/day for technician extra
3) Spare parts:
We can send you the spare parts for free if they are broken naturally
4) Main machine:
The diameter of the shaft is 70mm.the main body of the machine is made of 300mmH-Steel


Product Tags:

roll forming machine

      

pipe forming machine

      
Quality Downpipe / Water Pipe / Drain Pipe Production Line wholesale

Downpipe / Water Pipe / Drain Pipe Production Line Images

Inquiry Cart 0
Send your message to this supplier
 
*From:
*To: Wuxi Luole Machinery Co., Ltd
*Subject:
*Message:
Characters Remaining: (0/3000)